alegiglio ha scritto:mio Disco 2 del 2006.
alegiglio ha scritto:- controllato con Nano, ma non mi sembra ci siano errori particolari, tranne quelli soliti di un Td5 rimappato (tutti "logged")
mattia.ghigo ha scritto:alegiglio ha scritto:- controllato con Nano, ma non mi sembra ci siano errori particolari, tranne quelli soliti di un Td5 rimappato (tutti "logged")
ma con il Nano....hai controllato solo la centralina del motore?
Se ci sono problemi di strumenti....io guarderei in BCU più che altro...
E magari poi anche i connettori dietro al quadro strumenti...![]()
P.S.: un Td5 mappato per bene con Nano (e non copiando mappe prelevate qua e là) non deve restituire errori, occhio....
alegiglio ha scritto:Ho controllato tutto, ma sono un po alle prime armi col Nano. L'ho fatto in coda al reset errori dopo che ieri sera ho sostituito il modulatore ABS.
alegiglio ha scritto:Cambiata shuttle valve.
Si tutto spento, buio, notte!!
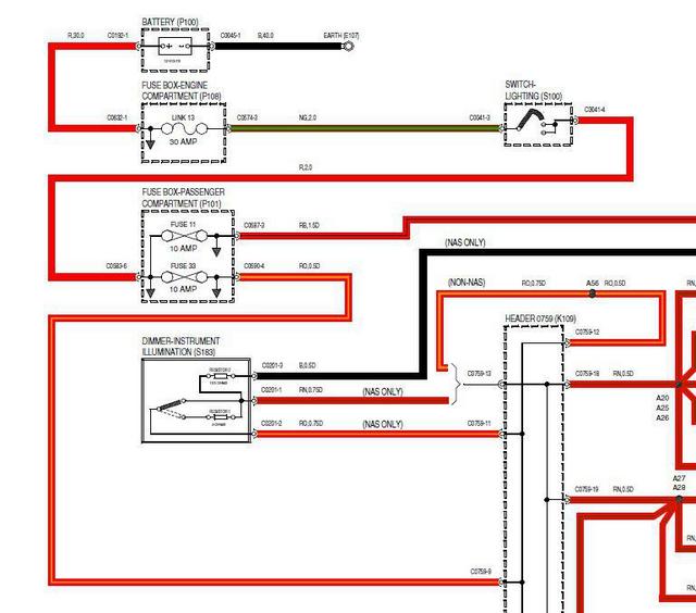
Col tester ho verificato che al fusibile (27) non arriva 12v


alegiglio ha scritto:Tre Amigos... ora quello tutto ok
Fusibili controllati tutti, più volte

alegiglio ha scritto:Allora problema luci risolto... ho trafficato un po con le masse e i cablaggi, tutto acceso.
Shuttle valve sostituita ma... accidenti avevi ragione: tres amigos ritornati!! E ora???
alegiglio ha scritto:Allora problema luci risolto... ho trafficato un po con le masse e i cablaggi, tutto acceso.
Shuttle valve sostituita ma... accidenti avevi ragione: tres amigos ritornati!! E ora???
MarcoDG91 ha scritto:Ciao a tutti, domandona! Il cruscotto di un disco td5 con cambio manuale è identico a quello di uno con cambio automatico? Dovrei sostituire il mio e volevo sapere se posso prendere quello di uno manuale (la mia è automatica)
Visitano il forum: Nessuno e 8 ospiti